Sêwirana populer ji bo Motora Vibrasyonê ya Tîpa Pereyê
Bi teknolojiya xweya pêşeng û her weha ruhê xwe yê nûbûn, hevkariya hevbeş, berjewendî û mezinbûnê re, em ê bi hev re bi pargîdaniya weya birûmet re ji bo Sêwirana populer a ji bo Motora Vibrasyonê ya Tîpa Pereyî pêşerojek bextewar ava bikin. kirrûbirên rastîn, bi kirrûbir û hevalên stratejîk re sedemek rûmetek bi tevahî nû pêk tînin.
Bi teknolojiya xweya pêşeng û her weha ruhê xwe yê nûbûn, hevkariya hevbeş, berjewendî û mezinbûnê re, em ê bi hev re bi pargîdaniya weya birûmet re pêşerojek serfiraz ava bikin.Coin Type Vibration Motor, Di nav 11 salan de, naha em beşdarî zêdetirî 20 pêşangehan bûne, ji her xerîdar pesnê herî bilind digire.Pargîdaniya me her gav armanc dike ku kirrûbirra çêtirîn bi bihayê herî kêm peyda bike.Ji bo bidestxistina vê rewşa serketî me gelek hewildan kir û bi dilgermî xêrhatina we dikin ku hûn beşdarî me bibin.Tevlî me bibin, bedewiya xwe nîşan bidin.Em ê her dem bijartina weya yekem bin.Ji me bawer bikin, hûn ê qet dilê xwe winda nekin.
Birêvebir-markayên vibrator baş;Bihayên Reqabetî;Qalîteya herî bilind;Zêdebûna bilind;
Hilber Parametreyên Teknîkî yênMotora Mini Vibrating Watch:
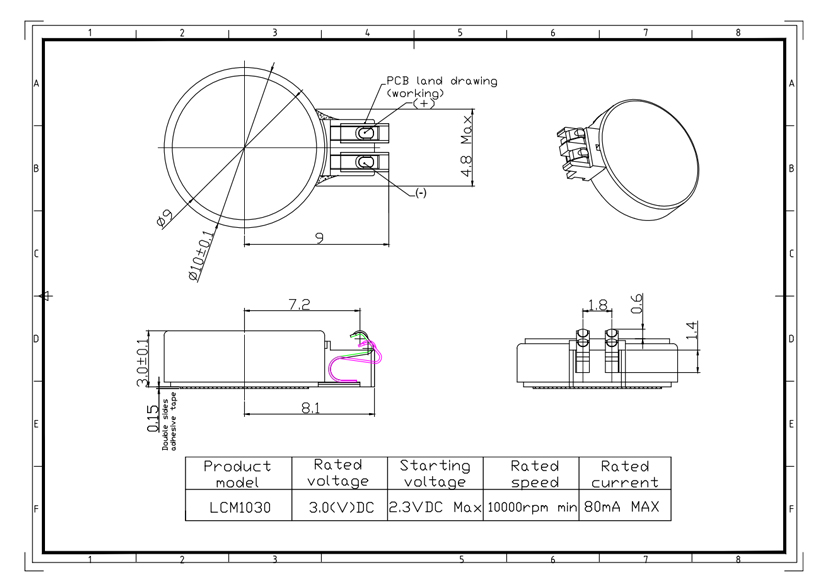
Motora vibrasyonê 10 mm
motorên daîre
| Cihê Origin | Guangdong, Çîn (Berdewam) | ||
| Hejmara Model | 1030 | ||
| Bikaranîna | Telefona desta, Watch û Band, Massajer, Amûr û amûrên bijîjkî | ||
| Şehadet | ISO9001, ISO14001, OHSAS18001 | ||
| Awa | Micro Motor | ||
| Commutation | Firçe | ||
| Taybetî | Vibration | ||
| Voltaja binavkirî | 3.0 (V) DC | ||
| speed Rated | 10000 rpm Min | ||
| Rêjeya niha | 80 mA Max | ||
| Voltaja destpêkê | 2.3 (V) DC | ||
| testa vibrasyonê | 0,8±0,2G | ||
| Voltaja xebitandinê | 2.7 ~ 3.3 (V )DC | ||
| Jîyan | 3.0V, 1S ON, 2S OFF, 100,000 çerx | ||
Taybetmendiyên sereke û avahiyaMotora Mini Vibrating Toys:
1) Struktura hêsan di celebê xêzik de, di sazkirin û domandinê de hêsan e.
2) Di beşên pneumatîk, parçeyên elektrîkê û beşên xebitandinê de pêkhateyên marqeya navdar a cîhanê ya pêşkeftî pejirandin.
3) Cranka dualî ya tansiyona bilind ji bo kontrolkirina vebûn û girtina mirinê.
4) Di otomatîzekirin û rewşenbîriyek bilind de dimeşin, bê qirêjî
5) Ji bo girêdana bi veguheztina hewayê re, ku rasterast dikare bi makîneya dagirtinê re têkildar be, girêdanek bicîh bikin.
Serlêdana jiMotora cixareya elektronîkî ya Mini Vibrating:
Têlefona desta, têlefona desta, dirana tenduristiyê, Vibrator, Lênihêrîna Kesane, Qeyik, Otomobîl, Bisîklêta Elektrîkî, Fan, Makîneyên lîstikê, Amûra malê, Hilbera bedewiyê, Pager, Lênêrîna kesane, Amûrên hilberê tenduristiyê, Massajer, Massage Rod, Massagerê çav, Laş Massajer, zuwakirina porê, Hair Clipper, Parzûna Elektrîkî, Hêza amûrek elektrîkî, alavên wesayîtan, pêlîstok û hwd.
Bazarên Hinardekirina Sereke ya Motora meya Vibrasyona Mini:
Asyaya Başûr: 43%
Amerîkaya Bakur: 27%
Ewropaya rojava: 25%
Ewropaya Bakur: 5%
Pakkirin û barkirin:
1. 50 mini motorên ajokera dc di her tepsiya PS de.
2. Her 20 kapsulan wek kom, qapaxek plastîk deynin ser komê û di kasêtê de bipêçin.
3. Koma pêçandî têxin nav qutîkê.
4. Her 8 inbox bi awayên standard ên wekî xêzkirinê têxin hundurê kavilek derveyî.
5. Hejmar û jimareya hevîrê li ser rûbera qalikê derve têne nivîsandin.
Payment & Radestkirin:
Rêbaza dravdanê: Pêşveçûn TT, T/T, Yekîtiya Rojava, PayPal, L/C..
Hûrguliyên Radestkirinê: di nav 30-50 rojan de piştî pejirandina fermanê.
Çima hilbijêreMotora têlefonê ya Mini Vibratingji Rêberê Micro Electronics?

Kontrola Kalîteyê
Me heye200% teftîşê berî barkirinêû pargîdanî rêbazên rêveberiya kalîteyê, SPC, raporta 8D ji bo hilberên xeletî bicîh tîne.Pargîdaniya me pêvajoyek kontrolkirina kalîteyê ya hişk heye, ku bi piranî çar naverokên jêrîn ceribandine:
01. Testkirina Performansê;02. Testkirina pêlê;03. Testkirina Dengê;04. Testkirina Xuyabûnê.
Profîla Pargîdaniyê
Avakirin li2007, Leader Micro Electronics (Huizhou) Co., Ltd. pargîdaniyek teknolojîya bilind e ku R&D, hilberandin û firotina motorên vibrasyonê yên mîkro yek dike.Leader bi giranî motorên coin, motorên xêzik, motorên bê firçe û motorên silindrîk çêdike, ku herêmek ji zêdetirî20.000 çargoşemetre.Û kapasîteya salane ya motorên mîkro hema hema ye80 milyon.Ji damezrandina xwe ve, Leader li çaraliyê cîhanê nêzî mîlyar motorên vibrasyonê firotiye, ku bi berfirehî li ser dor têne bikar anîn.100 cureyên hilberandi warên cuda de.Serlêdanên sereke bi dawî dibinsmartfon, cîhazên hilanîn, cixareyên elektronîkîwate ya vê çîye.
Testa pêbaweriyê
Leader Micro xwedan laboratûarên profesyonel ên bi tevahî alavên ceribandinê hene.Makîneyên ceribandina pêbaweriya sereke wekî jêrîn in:
01. Test Jiyan;02. Testa Germahiya & Nerm;03. Testa Vibrasyonê;04. Test Drop Roll;05.Test Spray Salt;06. Testa Veguhestina Simulasyonê.
Packaging & Shipping
Em piştgiriya barkêşiya hewayê, barkêşiya deryayê û Expressê dikin. Ekspresa sereke DHL, FedEx, UPS, EMS, TNT hwd. Ji bo pakkirinê:100 pcs motorên di tepsiyek plastîk de >> 10 tepsiyên plastîk di çenteyek valahiya de >> 10 kîsikên valahiya di kartonek de.
Wekî din, em dikarin li ser daxwazê nimûneyên belaş peyda bikin.























